

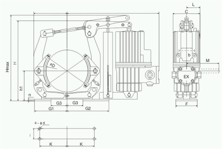
基本組件
*制動架;
*相匹配的電力液壓推動器
應用領域
DYW系列的隔爆型電力液壓鼓式制動器廣泛應用于有隔爆要求的各種起重運輸、皮帶運輸、港口裝卸、冶金及建筑機械中各種機構的減速和停車(維持)制動。
符合標準
DYW系列的隔爆型電力液壓鼓式制動器的安裝尺寸和制動力矩參數符合GB6333-1986標準;
其技術要求符合JB/T6406-2006標準、MT912-2008 標準及企標Q/ZYBC02-2019標準,隔爆性能符合GB3836-2010標準。
DYW系列制動器執行由安標礦用產品安 全標志中心審查確定的標準,不僅推動器有安 全標志證書,制動器整機也有安 全標志證書。( 代替原礦用型號BYWZ5系列制動器,安裝尺寸和中心高一致)
產品優勢
●制動襯墊為卡裝式整體成型結構,更換十分方便、快捷。
●聯鎖式退距均等裝置,使用過程中始終保持兩側瓦塊退距均等,避免因退距不均使-側制動襯墊浮貼制動輪的現象。
●主要擺動鉸點均設有自潤滑軸承,傳動效率高,壽命長,使用中無需潤滑。
●采用BED系列的隔爆型推動器配套,動作靈敏,壽命長。
●制動彈簧設在方管內布置并設有標尺,保護彈簧不受損壞和污染。
●常閉式設計,(斷電)彈簧制動,(通電)推動器釋放。
使用條件
●海拔高度:<2000m
●環境溫度: -20℃- +40℃
●相對濕度:≤90%
●工作制:間歇性( S3-60% )和連續(S1)
●電源電壓:三相交流,頻率為50Hz,額定電壓為380V/660V、660V/1140V,電壓波動應不超過-10% - +10%
●有特殊要求時,在訂貨時協商確定
附加裝置
●K1(開閘)和K2(閉閘)限位開關和監控裝置。
●手動釋放(S1或S2)。
●K3襯墊磨損開關,可實現制動襯墊磨損到一定程度時的信號顯示(注:應用時須帶自動補償裝置M)。
●襯墊磨損自動補償裝置(M),可實現襯墊磨損時制動瓦退距和制動力矩的無級自動補償。
●推動器可通過帶延時閥實現制動器的延時釋放或閉合。


注:具體型號、結構、外形尺寸保留更改的權利;
產品如有改進,不另行通知。


-
一、雄厚的資金技術實力虹橋公司是一家集科研、生產、銷售和技術服務為一體的高科技現代型企業,注冊資本3000萬元,依托雄厚的資金實力建立了系統的配件維修中心。我公司自成立起一直秉承“專注技術和服務的方針”,產品和服務質量遠高于同行,于2003年先后獲得國家特檢中心頒發的認可證書,成為建筑起重機械分會的會員之一。
-
二、強大的生產加工能力
公司標準化生產基地6.98萬平方米,員工200余人,并具有國內先進的加工流水線成套設備,系統的配件供應體系,且年生產加工設備總量位居市場前列,使公司逐漸在市場的占有率、品牌知名度、工業技術水平、質量狀況等指標上均達到優良水平。
-
三、質量過硬的主推產品公司以市場為導向,不斷開發培育新品種,開發推廣的優良新品種有盤式制動器(安全制動器SB,SBD系列、電力液壓臂盤式YPZ2系列、氣動鉗盤式QP(CQP)系列)、鼓式制動器(電力液壓YWZ系列、電磁鼓式ZWZ3系列、腳踏式TYW系列以及帶式制動器DZ系列)、防風制動器(液壓輪邊型YLBZ系列、頂軌式YDGZ系列和夾軌器YJGQ系列)和驅動裝置(Ed系列、YT1系列和隔爆型BEd系列)。
-
四、靈活快速的市場開發
公司始終遵循圍繞市場、服務客戶的營銷理念,營銷方式在注重實效的前提下靈活多樣。公司市場服務的網絡已遍布河北、山西、新疆、安徽、江蘇、山東、內蒙、遼寧等地,并出口東南亞,歐美等國家地區,在國內、國外的營銷網絡日趨完善,并擁有多家穩定的代理商,為實現產品的跨越式發展注入了強勁的動力。
-
五、良好的信譽保證“品行天下、共創雙贏”是我們企業堅守的經營理念。‘虹橋’牌制動器先后榮獲河南省商標,“河南省優良產品”的稱號,以及“河南省科技型中小型企業”的稱號,逐漸成為客戶心目中的滿意品牌;此外,公司于2002年順利通過ISO9001國際質量體系認證。經過10多年的不斷發展,目前已成為河南省具有發展潛力的制動器企業之一。
-
六、堅實的科研后盾
我公司與多家建筑起重機械公司和眾多生產供應商達成了長期合作和科技依托的關系。公司現有科研人員20人,外聘專家1名,年完成測配組合2000多個。
數年耕耘終有報,碩果累累滿枝頭。公司已為中國多家大型企業和建設項目成功設計、制造出具有國際行業先進水平的專用傳動設備,我們的產品服務著國內幾百家企業和上萬家遍及機械、冶金、港口、電路和水利等中小型企業,均具有很強的生產優勢、市場潛力和競爭力。
-
大中型起重機
-
港口裝卸機械起升
-
緊急安全制動
-
礦用卷揚機
-
提升機
-
皮帶運輸機
-
纜車
-
索纜起重機驅動
-
01
我公司所提供的產品三包,期限一年,在質保期內,由于產品自身質量出現問題,我公司負責免費更換配件及整機。
-
02
對我公司的產品技術性能及在使用中的注意事項,我公司負責作熱情的咨詢服務,并請客戶督促檢查。
-
03
接到貴公司問題反饋立即做出反應,需要現場指導的,省內24小時,省外48小時到達
YW系列電力液壓鼓式制動器
YW-P系列的二級電力液壓鼓式制動器
YW-L系列的二級電力液壓鼓式制動器
YWZB系列的電力液壓鼓式制動器
YWZ13系列電力液壓鼓式制動器
YWZ9系列電力液壓鼓式制動器
DZ系列帶式制動器
MYW(MYWZ)系列緩慢電力液壓鼓式制動器
YWZ3B系列的電力液壓鼓式制動器
YWZ4B系列的電力液壓鼓式制動器
YWZ4系列的電力液壓鼓式制動器
大連華銳踏面制動器安裝
南京港機YPZ制動器應用
攀枝花鋼鐵公司液壓盤式制動器
平潭橋檢查車制動器應用
三一塔機制動器
太原重工鼓式制動器
蕪湖港輪邊制動器應用
鄭州鐵路裝卸機械輪邊制動器項目
株洲冶煉電磁制動器應用
武橋制動器改造
元寶山安 全制動器應用
西 藏DJ水電站
豫公網安備41082302411074號